CNC Projects with
vslot-poland.com
Check out the projects - which you can realize with our elements!
Contact
Call us!
Chat to us!
Where are we?
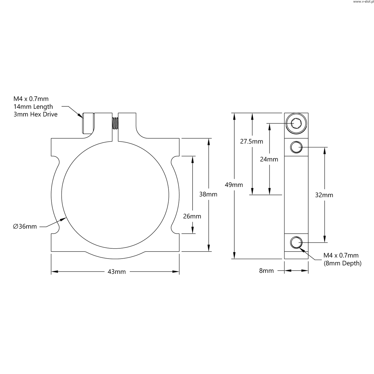
2-page mounting handle, 2-pilgrim from the 1401 series (width 43 mm, hole 36 mm)
0
product unavailable
Description
V-Slot Polska store offers you unique solutions that are U 2-tone assembly grip, 1-pilled from the 1401 series (width 43 mm, hole 36 mm)
These elements are part of the unique Gobuilda , with the help of which you can build many interesting constructions using few tools.
In our online store and in the store in Wrocław you will find many accessories in line with the Gobuild system!
Technical data :
- Name: mounting handle
- Series: 1401
- Type: 2-sided, 1-pil "font-size: 12pt;"> Hole diameter: 36mm
- Width: 43mm
- material: aluminum
- < Span Style = "FONT-SIZE: 12PT;"> Dimensions: see technical drawings in the gallery
