CNC Projects with
vslot-poland.com
Check out the projects - which you can realize with our elements!
Contact
Call us!
Chat to us!
Where are we?
ALUMINIUM CONSTRUCTION PROFILE 30x60 [8] 100 CM
product unavailable
Description
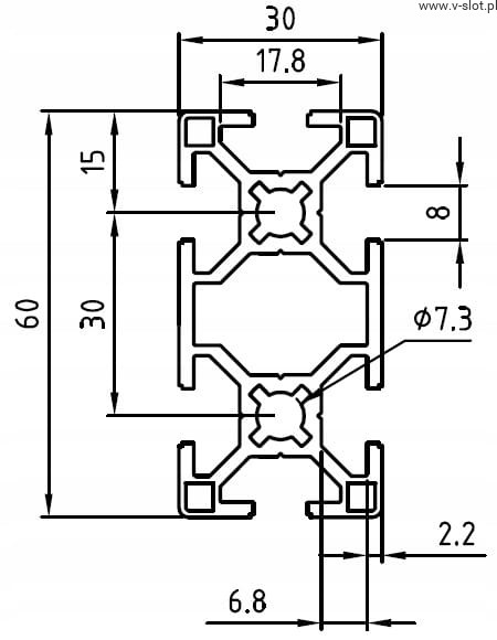
ALUMINIUM CONSTRUCTION PROFILE 30x60 GROOVE 8 MM 100CM
Profile series 30 combines all advantages of the series 20 and the possibility of using this type of profile for projects with much higher loads. Dual profile will allow you to strenghten the structures. They are recommended for hobbyists and professionalsts!
Thanks to their wide range of application, they can be adapted to the current and individual needs of our customers.
Aluminium constructions, which we have in our assortment are elements easy to assemble, distinguished by their great practicality.
This makes it possible to quickly build structures such as:
CNC milling machines
Plotters
Assembly stations
3D printers
Cages and much more
Specifications:
Element length: 100cm
Color: Silver
Type: T
Manufacturer: V-SLOT
Groove: 8
Size: 30x60 mm
Material: Aluminum
Technical data:
Moment of inertia Jx 19,700 cm4
Moment of inertia Jy 5,100 cm4
Moment of strenght Wx 7,000 cm3
Moment of strenght Wy 3,900 cm3
